31 July 2023

Transistor-level Diagram for Logic Gates

NOT Gate



AND Gate





OR Gate





NAND Gate




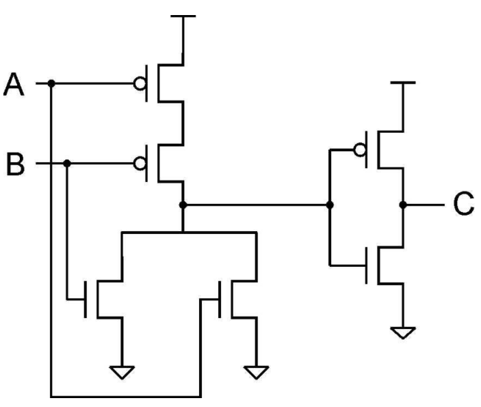
NOR Gate











No comments:

Post a Comment

D-Algorithm

Inducing the fault in any node and propagating the fault effect from the fault site to the primary output is called D-Algorithm. D-Algorithm...